-
2025.09.28
-
1118
应用方案 | 基于CA-IS1200/1300 的电压检测
今年会Jinnianhui微电子CA-IS1200/1300 虽然是针对隔离电流检测而优化设计,但它们也可以被用来当作隔离电压检测。本文主要描述这类器件被用作单端母线电压检测时的注意点。
可通过以下方式进行样片申请:
1、登录官网
(https://www.)进行申请;
2、拨打021-50838601-821、0755-86538083进行申请;
3、通过代理商渠道进行申请。
01 电路描述
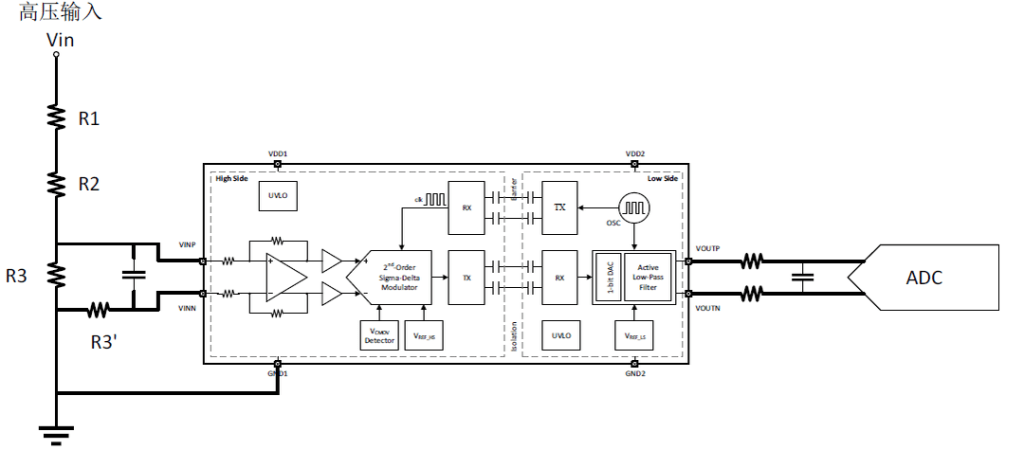
典型的隔离电压检查系统框图如图1 所示,R1 和R2 的值一般根据被检测电压大小和系统的功耗要求确定。R3 的值根据放大器的输入范围来选取。由于CA-IS1200/1300 采用全差分放大器前端结构,因而需要在VINN 端添加电阻R3’来消除输入阻抗不平衡导致的失调电压,同时需要修调由于R3(R3’)引起的增益变化。

图2 和下文将推导如果不增加电阻R3’导致的失调电压。可以通过令Vin=0 计算前端差分放大器的输出来计算失调电压。由于通常R1 和R2 的值远远大于R3,因而图2 中直接取R3 为R3 与R1+R2 的并联。


图2 所示为CA-IS1200/1300 前端全差分放大器结构, R4=R6,R5=R7,输出共模电压被设置成1.875V。那么根据下面的方程可以计算前端输出失调电压Vos


举个例子对于CA-IS1300G25G 来说前端全差分放大器中R4=R6=12.5KΩ,R5=R7=50KΩ,当R3=158Ω时,根据上式可得Vos = 18.8mV,对系统来说这是个不可忽略的误差。通过增加R3’=R3 后可以消除输入阻抗不平衡导致的失调电压。
下面将计算整个系统的电压增益,图3 所示为等效电路:


从高压输入Vin 到CA-IS1200/1300 的输出Vout 关系式如下:


G0 为CA-IS1200/1300 的电压增益。
上面提到的两点可以很好地消除系统的测量误差,在此基础上客户依然可以根据需要判断是否需要做进一步的系统增益和失调校准以获得更好的系统精度。
02 总结
本文讲述了CA-IS1200/1300这类具有全差分放大器前端的隔离电流放大器被用作隔离电压放大器是所需要注意的技术点。