CA-IS3988P
量产
8通道隔离式数字输入接收器
CA-IS398x 系列隔离型 8 通道数字输入器件优化用于工
业现场的24V数字输入,只需少数几个外围元件即可配
置用作Type 1、Type 2 或Type 3 工业传感器或现场开关
的输入单元,每个通道即可配置为拉电流(source)输入,
也可配置为灌电流(sink)输入。隔离通道采用今年会Jinnianhui微电
子先进的电容隔离技术,提供高达2.5kVRMS的电气隔离
以及±300kV/μs 的典型 CMTI (低速通道),具有较高的电
磁辐射抑制和低传输延时、低抖动等优势。
CA-IS398x 只需在逻辑侧提供 2.25V 至 5.5V 的单电源供
电,无需现场侧供电电源。逻辑输出电平取决于电源电
压,可方便连接2.5V、3.3V 或5V 供电的控制器接口。
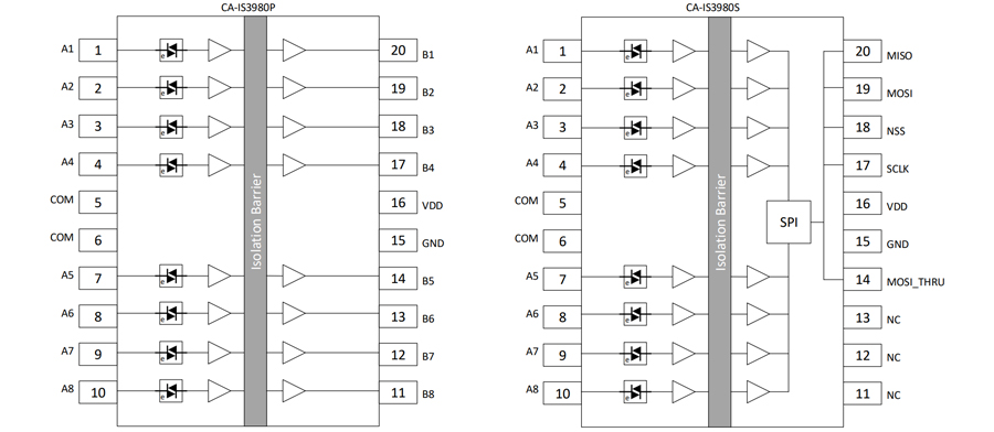
CA-IS3980S 作为串行输出的工业接口器件能够将 8 路
24V 数字输入转化成 CMOS 兼容的逻辑信号,通过 SPI
接口连接到微处理器;CA-IS398xP 系列产品则将 8 路
24V 数字输入转换成CMOS兼容的并行输出,详见下方
的 CA-IS398x 简化框图。该系列的所有器件提供数字隔
离输出,所有输入通道支持灌电流、拉电流配置,可方
便连接工业、楼宇、过程控制等工业应用现场的传感器
或开关。为确保工业环境下系统的可靠性,并行输出的
CA-IS398x 器件在每个通道集成了固定延时的去抖滤波
器;串行输出的CA-IS3980S则允许用户调节其内部去抖
滤波器的延迟时间,以满足不同应用场景的要求。对于
需要连接 8 个以上传感器的应用,可以使用多片 CA
IS3980S 构成菊链架构,CA-IS3980S 菊链电路在同一 SPI
接口上最多可支持128路输入。
CA-IS398x 系列产品工作在-40°C 至+125°C 温度范围,采
用20引脚SSOP封装。不同的器件尾缀对应于不同的输
出接口和滤波器延时配置,请参考订购信息。
-
特性
支持工业标准数字输入
兼容IEC 61131-2 Type 1、Type2、Type3 输入
高度集成
8 路输入通道,串行输出(CA-IS3980S)
8 路输入通道,并行输出 (CA-IS398xP)速率可达2Mbps
集成数字滤波器,0 -100ms滤波器延时可选
较高的瞬态抑制:
低速通道:±300kV/µs CMTI
高速通道:±50kV/µs CMTI集成2500VRMS 内部隔离器,缩减BOM和尺寸
SPI兼容串行接口(CA-IS3980S)
2.25V至5.5V单电源供电,无需现场侧供电
-40°C至125°C工作温度范围
8.66mm x 3.91mm 20引脚SSOP封装
-
应用
-
PLC数字输入模块
-
工业自动化
-
楼宇自动化
-
电机控制
-
CNC控制
-
工业现场数据采集
-
-
器件信息
器件型号 封装 封装尺寸(标称值) CA-IS3980
CA-IS3988SSOP20(Y) 8.66mm x 3.91mm -
简化通道结构图
-
技术文档
文档名称
文件种类
更新日期
-
文件种类: 规格书
更新日期: 2023.03.14
-
文件种类: EVMUG
更新日期: 2021.11.15
-
-
认证标准
认证名称
认证种类
认证编号
认证日期
-
认证种类: 可靠性
认证编号: CA-IS398X
认证日期: 2025.06.13
-
认证种类: VDE
认证编号: 40052786
认证日期: 2025.02.28
-
认证种类: TÜV-EN IEC 62368
认证编号: AK 50656801 0001
认证日期: 2024.12.26
-
认证种类: TÜV-EN 61010
认证编号: AK 50656808 0001
认证日期: 2024.12.26
-
认证种类: CQC
认证编号: CQC24001452684
认证日期: 2024.12.26
-
认证种类: UL
认证编号: UL-US-2231195-0
认证日期: 2022.08.04
-