CA-IS3417WT-Q1
量产
汽车级1700V 高压隔离开关
CA-IS3417WT-Q1 是一款车规级低EMI、输入光耦兼容的
增强型绝缘高压隔离开关,原边输入级为模拟二极管
(e-diode),在保持光耦输入特性的同时还具有更好的
一致性、长期稳定性和更高的可靠性,其传输特性不会
像传统光 MOS 继电器一样随着使用时间的增加而出现
光衰老化现象。另外相比传统的机械继电器,CA
IS3417WT-Q1 的开关次数更多,使用寿命更长。
CA-IS3417WT-Q1 的副边集成了耐压高达 1700V 背靠背
的SiC MOSFET,由于 SiC MOSFET 具有更好的高温特性
和可靠性,使得该器件可以在更高环境温度下稳定运行。
CA-IS3417WT-Q1 采用12脚宽体SOIC封装,引脚排布兼
容主流光 MOS 继电器,原副边之间的隔离耐压高达
5kVRMS @ 1 分钟,支持在车规温度范围内(–40°C 到
125°C)正常工作。
-
特性
常开器件(输入不加电输出关断)
输入光耦兼容,模拟光耦输入特性:
无传统光耦的光衰老化特性
输入最高反向耐压5.5V内部集成背靠背SiC MOSFET:
输出关断电压高达1700V(最小值)
输出关断漏电流低至1μA(最大值)输出导通电阻:
50Ω(典型值)
支持高达50mA的输出导通电流
开启和关断时间小于300μs
高CMTI:
±150kV/µs(典型值)
低EMI:
满足CISPR25 Class 5标准(两层PCB)
符合AEC-Q100标准:
Grade 1 等级,TA = –40°C ~ 125°C
优异的隔离性能(认证中):
符合UL 1577 认证,1 分钟5kVRMS 隔离耐压
符合DIN EN IEC 60747-17 (VDE 0884-17) 标准的7070VPK VIOTM 和 2121VPK VIORM采用12引脚宽体SOIC封装:
输入侧与输出侧爬电距离和电气间隙≥ 8mm
输出端口之间爬电距离和电气间隙≥ 5.84mm -
应用
-
固态继电器
-
混动或者电动汽车
-
电池管理系统
-
车载充电机
-
储能系统
-
太阳能
-
新能源汽车充电装置
-
-
器件信息
零件号 封装 封装尺寸(标称值) CA-IS3417WT-Q1 SOIC12-WB(WT) 10.30 mm × 7.50 mm -
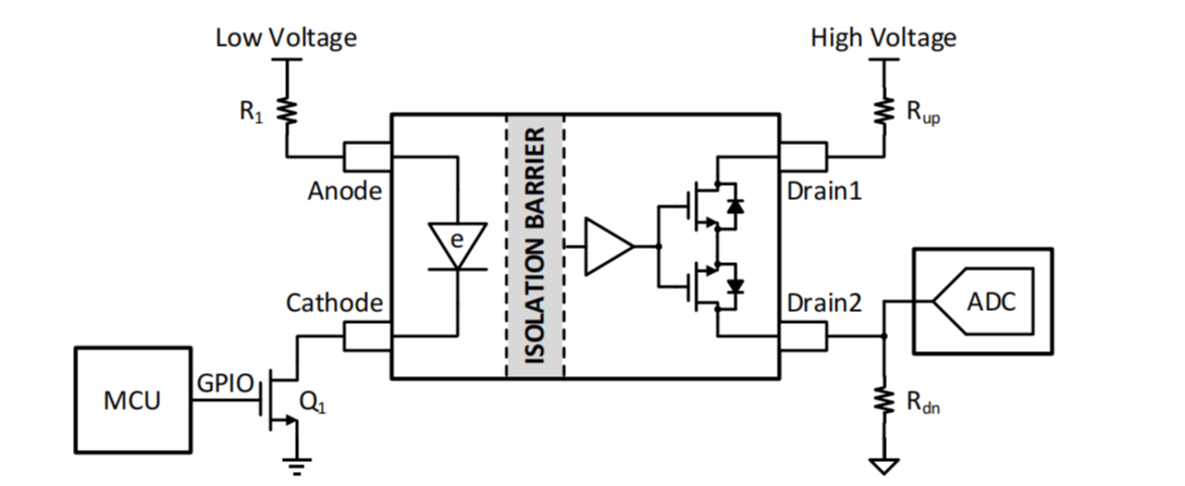
简化通道结构图
-
技术文档
文档名称
文件种类
更新日期
-
文件种类: 规格书
更新日期: 2024.04.03
-
文件种类: APPNOTE
更新日期: 2023.12.15
-
-
认证标准
认证名称
认证种类
认证编号
认证日期
-
认证种类: 可靠性
认证编号: CA-IS3417WT-Q1
认证日期: 2025.02.28
-
认证种类: UL
认证编号: UL-US-L511334-11-71100202-9
认证日期: 2023.09.06
-
认证种类: UL
认证编号: UL-US-2438760-1
认证日期: 2024.11.14
-
认证种类: TÜV-EN 61010
认证编号: AK 50646535 0001
认证日期: 2024.10.15
-